DMFZF40S Flanged Pulse Valve
  • DMFZF40S Flanged Pulse Valve DMFZF40S Flanged Pulse Valve

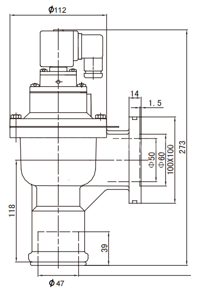
DMFZF40S Flanged Pulse Valve

DMFZF40S diaphragm pulse valve, IP65 rated, 0.1-0.86MPa working pressure, 1-year warranty, long service life, wide temperature range, reliable for industrial dust cleaning and filtration systems.
Model:DMF-ZF-40S

Send Inquiry

Product Description

Product Description

The ZF-type pulse valve, like the Z-series pulse valves, is a right-angle valve designed for installation and connection between air distribution boxes and dust collector blow pipes. Its inlet connects to the air distribution box via a flange, while the outlet can be connected to a flange using either rigid or flexible tubing, making installation more convenient.



Item
Details
Product Name
DMFZF40S
Working Pressure
0.1MPa~0.86MPa (Recommended: 0.3MPa~0.6MPa)
Working Medium
Clean, dry compressed air
Working Voltage

DC24V, AC36V, AC110V, AC220V

Working Power
24W, 20W, 20W, 20W
Air Relative Humidity
≤85%
Protection Class
IP65
Diaphragm Service Life
1 million cycles or 5 years
Operating Temperature
Option 1: -25°C~100°C (-13°F~248°F)Option 2: -25°C~230°C (-13°F~446°F)



Product Features

High-Quality Raw Materials

· Diaphragm: Custom-made diaphragm imported from Germany, laser-cut. Instant glue-wrapped edge without riveting, completely eliminating leakage. Flexible production supports custom sizes of any specification.

· Coil: High-temperature resistant enameled wire with pure iron armature, ensuring more stable power and longer service life.

· Pilot Assembly: Made of pure iron, featuring strong suction, stable performance and sensitive action.

· Spring: Imported stainless steel material, enhanced fatigue resistance and extended service life.Advanced Processing Technology & Equipment· Extrusion Process: 3-4 times higher strength than ordinary threads, preventing thread slipping during repeated maintenance and disassembly.

· Vibration Finishing & Anti-Corrosion Treatment: Applied to the pulse valve surface for enhanced durability.

· Automatic Lathe Machining: Ensures consistent product quality and precision.


After-sales, Delivery & Payment Terms 

After-sales Service

We offer a 1-year warranty for all our pulse valves. During the warranty period, we provide free replacement or repair for any quality-related issues, with technical support available for the entire service life of the product.


Delivery Lead Time

· Small-batch orders: 5-10 days for ex-stock delivery

· Bulk orders (1000 pcs): 20-30 days lead time upon order confirmation

· Payment Terms30% T/T deposit in advance, 70% T/T balance before shipment




Hot Tags: DMF-ZF-40S, Flange pulse valve, pulse valve
Related Categories
Send Inquiry
Please feel free to fill your inquiry in the form below. We will reply you in 24 hours.
X
We use cookies to offer you a better browsing experience, analyze site traffic and personalize content. By using this site, you agree to our use of cookies. Privacy Policy